
| 代码1:型号 | 代码2:PPR | 代码3:孔径 | 代码4:固定 | 代码5:输出格式 | 代码6:终端 | 代码7:选项 |
|---|---|---|---|---|---|---|
| HS35R | □ | □ | □ | □ | □ | □ |
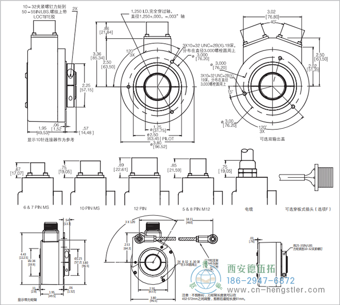
| HS35R 重载空心轴编码器 |
0001 0500 0003 0512 0010 0600 0012 0900 0015 1000 0032 1024 0050 1200 0060 1500 0100 2000 0120 2048 0200 2400 0240 2500 0250 3072 0300 5000 0360 |
0 6mm 1 1/4" 2 5/16" 3 8mm 4 3/8" 5 10mm 6 12mm 7 1/2" 8 5/8" 9 15mm A 16mm C 19mm D 3/4" E 20mm F 7/8" G 24mm H 1" J 1-1/8" K 1-1/4" M 14mm N 18mm P 25mm R 28mm |
0 无 1 4.5"C面弹簧片 2 8.5"C面弹簧片 3 带槽的弹簧片(用于标准AC电机风扇盖安装) ————— 当代码5是 D,E,F,G,Q,R时,不可用 4 同1一样,带盖 5 同3一样,带盖 C 同A一样,带56C盖(仅单输出) ————— 当代码5=D,E,F,G,Q,R时可选 6 同1一样,带两个盖 7 同3一样,带两个盖 8 同2一样,带180C盖(单或双输出) ————— A 旋转拉杆 B 旋转拉杆带接地带 D 同B一样,带56C盖(单输出) |
0 ABZ,5`26VDC,推挽输出 1 ABZ,5`26VDC,集电极开路输出 2 ABZ,5`26VDC,电极开路输出,带2.2k电阻 H 与0一样,扩展温度范围 J 与1一样,扩展温度范围 K 与2一样,扩展温度范围 ————— 当代码6是H时,不可用 4 只有AB相差分输出,5`26VDC输入,5VDC输出(7272) 5 只有AB相差分输出,5`26VDC输入,5VDC输出(7272) A 只有AB相差分输出,5`26VDC输入,5VDC输出(4469) C 只有AB相差分输出,5`15VDC输入,5`15VDC输出(4469) L 与4相同,扩展温度范围 M 与5相同,扩展温度范围 ————— 当代码6是0,1,5,6或H时,不可用 6 ABZ相差分输出5`26VDC输入,5VDC输出(7272) 7 ABZ相差分输出5`26VDC输入,5VDC输出(7272) 8 ABZ相差分输出5`26VDC输入,5VDC输出(4469) 9 ABZ相差分输出5`15VDC输入,5VDC输出(4469) D 与6一样,双隔离输出 E 与7一样,双隔离输出 F 与8一样,双隔离输出 G 与9一样,双隔离输出 N 与6一样,扩展温度范围 P 与7一样,扩展温度范围 Q 与D一样,扩展温度范围 R 与E一样,扩展温度范围 W ABZ,10-24VDC线驱输出,使用下列的Dynapar电缆组件可以传输500ft/120m距离 |
0 6针 1 7针 2 10针 3 12针 4 10针卡口 5 6针配插头 6 7针配插头 7 10针配插头 8 12针配插头 9 10针卡口配插头 A 0.5m(18")电缆 C 1m(36")电缆 D 2m(72")电缆 E 3m(120")电缆 F 0.3m电缆带10针穿板式连接器及配套插头 G 0.3m(13")电缆 H 5针M12 J 8针M12 |
空白 无选项 01 反向相位(A超前B,CCW) ————— 当代码5=0-2,6,7,同代码6=0-2或5-7时可选 PS LED输出 |