
| 型号 | 分辨率 | 供电电压 | 法兰、防护等级、轴径 | 通信界面 | 连接方式 |
|---|---|---|---|---|---|
| □ | /□ | □ | □ | □ | □ |
| AC58 |
0010 10 位单圈 0012 12 位单圈 0013 13 位单圈 0014 14 位单圈 0016 16 位单圈 0017 17 位单圈 0018 18 位单圈 0019 19 位单圈 0020 20 位单圈 0022 22 位单圈 1212 12 位单圈 + 12 位单圈 1213 12 位单圈 + 13 位单圈 1214 12 位单圈 + 14 位单圈 1216 12 位单圈 + 16 位单圈 1217 12 位单圈 + 17 位单圈 1218 12 位单圈 + 18 位单圈 1219 12 位单圈 + 19 位单圈 1220 12 位单圈 + 20 位单圈 应要求可提供其它分辨率 |
E DC 7 - 30V |
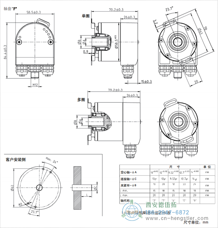
S.41 同步法兰, IP651 , 6 mm S.71 同步法兰, IP67, 6 mm K.42 夹紧法兰, IP651 , 10 mm K.46 夹紧法兰, IP651 , 9.52 mm K.47 夹紧法兰, IP651 , 12 mm K.4C 夹紧法兰, IP651 , 8 mm K.72 夹紧法兰, IP67, 10 mm K.76 夹紧法兰, IP67, 9.52 mm K.77 夹紧法兰, IP67, 12 mm K.7C 夹紧法兰, IP67, 8 mm F.42 弹簧片, IP651 , 轴套 10 mm, 前夹紧环安装 F.46 弹簧片, IP65 1 , 轴套 9,52 mm, 前夹紧环安装 F.47 弹簧片, IP651 , 轴套 12 mm, 前夹紧环安装 F.4E 弹簧片, IP65 1 , 轴套, 12.7 mm, 前夹紧环安装 F.49 弹簧片, IP651 , 轴套, 14 mm, 前夹紧环安装 F.77 弹簧片, IP67, 轴套, 12 mm, 前夹紧环安装 Q.42 方形法兰, IP651 , 10 mm Q.46 方形法兰, IP651 , 9.52 mm Q.72 方形法兰, IP67, 10 mm Q.76 方形法兰, IP67, 9.52 mm |
EC EtherCAT | R 总线罩壳 3x M12 连接器 |

| 附件 | 孔径 d1/d2 | 订购代码 |
|---|---|---|
| 波纹管联轴器 | 6 mm / 6 mm | 3 520 068 |
| 波纹管联轴器 | 8 mm / 10 mm | 3 520 077 |
| 波纹管联轴器 | 10 mm / 10 mm | 3 520 037 |
| 盘式联轴器 | 6 mm / 6 mm | 0 070 663 |
| 绝缘盘式联轴器 | 6 mm / 6 mm | 3 520 081 |
| 绝缘盘式联轴器 | 6 mm / 10 mm | 3 520 082 |
| 绝缘盘式联轴器 | 10 mm / 10 mm | 3 520 088 |
| 螺旋式联轴器 19/28 | 5 mm / 6 mm | 3 520 035 |
| 螺旋式联轴器19/28 | 6 mm / 6 mm | 0 070 653 |
| 螺旋式联轴器 25/32 | 6 mm / 9.53 mm | 3 520 052 |
| 螺旋式联轴器 25/32 | 6 mm / 10 mm | 3 520 066 |
| 螺旋式联轴器 25/32 | 10 mm / 10 mm | 3 520 074 |
| 螺旋式联轴器 25/32 | 10 mm / 12 mm | 3 520 065 |
| 附件 | 订购代码 |
|---|---|
| 用于M4的夹紧偏心 (一套3个) | 1 522 300 |
| 直角安装支架 (塑料), 用于 RI 58和 AC 58的夹紧法兰 (包含固定材料) | 1 522 329 |
| 用于轴套的弹簧片 | 1 531 188 |
| 安装罩 (塑料), 用于 RI 58和AC 58 ( 包括夹紧偏心和固定材料) | 1 522 330 |
| 方形法兰适配器 58 x 58 mm, 用于 RI 58和 AC 58 的夹紧法兰 (包含固定材料) | 1 522 326 |
| 方形法兰适配器 80 x 80 mm, 用于 RI 58和AC 58 的夹紧法兰 (包含固定材料) | 1 522 327 |
| 同步法兰适配器 , 用于 RI 58和AC 58 的夹紧法兰 (包含固定材料) | 1 522 328 |
| 用于 M3的同步法兰夹紧偏心d6.5 (一套3个) | 0 070 655 |