AC58-BiSS/SSI光电绝对值编码器
摘要:德国Hengstler(亨士乐)AC58-BiSS/SSI光电绝对值编码器,正弦/余弦信号可用于快速控制任务,启动和操作辅助功能:诊断LED、带光学响应的预设键、状态信息显示。
AC58-BiSS/SSI光电绝对值编码器|德国Hengstler(亨士乐)
设计紧凑:单圈、多圈的长度均为50mm
启动和操作辅助功能:诊断LED、带光学响应的预设键、状态信息显示
正弦/余弦信号可用于快速控制任务
控制输入:方向
分辨率可达29位
接口:SSI、BiSS-B或BiSS-C
AC58-BiSS/SSI光电绝对值编码器产品规格
外径:58mm
轴径或孔径:实心轴:6/10mm
轴套:10/12/14mm
脉冲数或分辨率:多圈12位,单圈10-22位
防护等级:IP64/IP67
最高转速:12,000 RPM
AC58-BiSS/SSI光电绝对值编码器机械特性
最大转速:10,000 RPM(连续),12,000RPM(短时)
AC58-BiSS/SSI光电绝对值编码器电气特性
电源电压:DC 5V ±10%,DC 10~30V
最大空载电流:100mA(单圈),150mA(多圈)
AC58-BiSS/SSI光电绝对值编码器环境特性
轴端防护等级(EN60529):IP64或IP67
外壳防护等级(EN60529):IP64或IP67
工作温度:-40°C~+100°C
储存温度:-25°C~+85°C
AC58-BiSS/SSI光电绝对值编码器适用行业

机床
电梯
伺服电机
风电
工厂自动化
工程机械
医疗影像
冶金行业
石油天然气 
造纸
矢量电机 
航空
AC58-BiSS/SSI光电绝对值编码器技术参数
技术数据(机械)
|
外径
|
58mm
|
|
轴径
|
实心轴 6mm,10mm;空心轴 10mm,12mm
|
|
法兰(外壳的安装)
|
同步法兰,夹紧法兰,带弹簧片的轴套,方形法兰
|
|
轴端的防护等级 (EN 60529)
|
IP 64或IP 67
|
|
外壳的防护等级 (EN 60529)
|
IP64 或 IP67
|
|
轴向 / 径向轴载
|
40 N / 60 N
|
|
安装轴的轴向跳动(空心轴)
|
± 1.5 mm
|
|
配合轴的径向跳动(空心轴)
|
± 0.2 mm
|
|
最高转速
|
最大 10000 rpm(连续)
最大 12000 rpm(短时)
|
|
启动转矩(典型值)2
|
≤ 0.01Nm
|
|
转动惯量
|
3.8 x 10-6 kgm2
|
抗震动
(DIN EN 60068-2-6)
|
100 m/s2 (10 - 2000 Hz)
|
抗冲击
(DIN EN 60068-2-27)
|
1000m/s2(6ms)
|
|
工作温度
|
-40℃ ~ +100℃
|
|
存储温度
|
-25℃ ~ +85℃
|
|
重量
|
约 260g (单圈)/ 310g(多圈)
|
|
电气连接
|
电缆,轴向或径向
M23 连接器 (Conin),12脚,轴向或径向
M12 连接器 , 8脚 , 轴向或径向
|
1 由于包装原因
2 在20℃时
技术数据(电气)
|
电源电压
|
直流 5V±10% 或直流 10 ~ 30V
|
|
典型空载电流
|
100mA(单圈),150mA(多圈)
|
|
允许的负载
|
最大 30mA
|
|
单圈分辨率
|
10 ~ 17 位,格雷余码:360,720 分辨率
|
|
多圈分辨率
|
12 位
|
|
输出编码
|
二进制、格雷码
|
|
驱动
|
时钟和数据 /RS422
|
|
线性
|
±1/2LSB(±1LSB, 分辨率 >13 位时适用)
|
|
增量信号
|
正弦 - 余弦 1Vpp
|
|
脉冲数
|
2048
|
|
3dB 极限频率
|
500 kHz
|
|
绝对精度
|
±35"
|
|
参数设置
|
编码类型、旋转方向、警告、报警
|
|
控制输入
|
方向
|
|
复位键
|
可通过参数设置为无效
|
|
报警输出
|
报警位(SSI 可选)
警告位和报警位 (BiSS)
|
|
LED 状态指示灯
|
绿色 = 正常 ;红色 = 报警
|
SSI推荐数据传输率
最大数据传输率取决于电缆长度。
对于时钟/
时钟和数据/
数据,请使用双绞线。使用屏蔽电缆。
|
电缆长度
|
波特率
|
|
<50m
|
<400kHz
|
|
<100m
|
<300kHz
|
|
<200m
|
<200kHz
|
|
<400m
|
<100kHz
|
数据格式 单圈
|
分辨率
|
数据位
|
|
T1`T9
|
T10
|
T11
|
T12
|
T13
|
T14
|
T15
|
T16
|
T17
|
T18
|
T19
|
|
9位1
|
S8`S0
|
0
|
0
|
0
|
0
|
0
|
W2
|
|
|
|
|
|
10位1
|
S9`S1
|
S0
|
0
|
|
|
|
W2
|
|
|
|
|
|
11位1
|
S10`S2
|
S1
|
S0
|
0
|
|
|
W2
|
|
|
|
|
|
12位1
|
S11`S3
|
S2
|
S1
|
S0
|
0
|
|
W2
|
|
|
|
|
|
13位1
|
S12`S4
|
S3
|
S2
|
S1
|
S0
|
0
|
W2
|
|
|
|
|
|
14位1
|
S13`S5
|
S4
|
S3
|
S2
|
S1
|
S0
|
0
|
W2
|
|
|
|
|
15位1
|
S14`S6
|
S5
|
S4
|
S3
|
S2
|
S1
|
S0
|
0
|
0
|
0
|
W2
|
|
16位1
|
S15`S7
|
S6
|
S5
|
S4
|
S3
|
S2
|
S1
|
S0
|
0
|
0
|
W2
|
|
17位1
|
S16`S8
|
S7
|
S6
|
S5
|
S4
|
S3
|
S2
|
S1
|
S0
|
0
|
W2
|
9位和13位数据格式示例,附可选报警位和校验位
|
分辨率
|
数据位
|
|
T1`T9
|
T10
|
T11
|
T12
|
T13
|
T14
|
T15
|
T16
|
T17
|
T18
|
T19
|
|
9位+P33
|
S8`S0
|
0
|
0
|
0
|
P
|
0
|
W2
|
|
|
|
|
|
9位+A4
|
S8`S1
|
0
|
0
|
0
|
A
|
0
|
W2
|
|
|
|
|
|
9位+P33+A4
|
S8`S2
|
0
|
0
|
0
|
A
|
P
|
0
|
W2
|
|
|
|
|
|
|
|
|
|
|
|
|
|
|
|
|
|
9位+P33
|
S12`S4
|
S3
|
S2
|
S1
|
S0
|
P
|
0
|
W2
|
|
|
|
|
9位+A4
|
S12`S4
|
S3
|
S2
|
S1
|
S0
|
A
|
0
|
W2
|
|
|
|
|
9位+P33+A4
|
S12`S4
|
S3
|
S2
|
S1
|
S0
|
A
|
P
|
0
|
W2
|
|
|
数据格式 多圈
|
分辨率
|
数据位
|
|
T1`T12
|
T13`T23
|
T24
|
T25
|
T26
|
T27
|
|
|
|
|
|
24位1
|
M11`M0
|
S11`S1
|
S0
|
0
|
W2
|
|
|
|
|
|
|
25位1
|
M11`M0
|
S12`S2
|
S1
|
S0
|
0
|
W2
|
|
|
|
|
|
26位1
|
M11`M0
|
S13`S3
|
S2
|
S1
|
S0
|
0
|
W2
|
|
|
|
|
27位1
|
M11`M0
|
S14`S4
|
S3
|
S2
|
S1
|
S0
|
0
|
0
|
0
|
W2
|
|
28位1
|
M11`M0
|
S15`S5
|
S4
|
S3
|
S2
|
S1
|
S0
|
0
|
0
|
W2
|
|
29位1
|
M11`M0
|
S16`S6
|
S5
|
S4
|
S3
|
S2
|
S1
|
S0
|
0
|
W2
|
|
24位数据格式示例,附可选报警位和校验位
|
|
24位+P33
|
M11`M0
|
12`S2
|
S1
|
S0
|
P
|
0
|
W2
|
|
|
|
|
24位+A4
|
M11`M0
|
12`S2
|
S1
|
S0
|
A
|
0
|
W2
|
|
|
|
|
24位+P33+A4
|
M11`M0
|
12`S2
|
S1
|
S0
|
P
|
A
|
0
|
W2
|
|
|
S0`S16 单圈分辨率的数据位
M0`M11 圈数(限多圈)数据位
1 选项(奇偶检验位,报警和校验位、零位)按要求选定。
2 W:用于多重启动,从这个数据位开始数据重复。
3 校验位:偶检验(校验位扩展数据位为有偶数个显示为1的位)(可选项)
4 报警位:当温度过高、过低、码盘破损和LED故障时,被设置为"1"
同步串行传输(SSI)
编码器数据的同步读出是根据SSI计数部分给出的时钟频率进行的。
时钟频率取决于编码器类型(单圈还是多圈)和规定的专用位配置。
为了多重转换(存储值被多次成功读出)必须保持每次转换需要的固定时钟频率(单圈13位需要14个时钟,多圈25位需要26个时钟)。
◆ 在空闲位置,当最后一个时钟刷走过30微秒以上时,数据佃出为逻辑"1"。
◆ 第一个时钟下降沿触发编码器数据和特殊位被加载到编码器数据接口的移位寄存器。
◆ 随着每个上升沿,从MSB开始依次读出数据位。
◆ 在数据传输最后,数据输出设置为逻辑"0"持续约20微秒,如果在此20微秒内下一个时钟刷到达编码器数据接口,则已传输的数据再读一遍。多次传输相同的数据可能被认为是传输错误。
◆ 在20微秒之后数据输出达到空闲位置,妈逻辑"1"。随后可以读出新的编码器数据。
电气连接 M23连接器(Conin),12脚/电缆接口BI,BE,SB,SG
|
电缆颜色
|
M23(Conin)
|
信号
|
|
棕色3
|
1
|
0V(电源电压)
|
|
粉色
|
2
|
数据
|
|
黄色
|
3
|
时钟
|
|
|
4
|
悬空
|
|
蓝色
|
5
|
方向1
|
|
红色
|
6
|
悬空
|
|
紫色
|
7
|
悬空
|
|
白色3
|
8
|
直流5V/10`30V
|
|
|
9
|
悬空
|
|
灰色
|
10
|
数据
|
|
绿色
|
11
|
时钟
|
|
黑色
|
12
|
0V-信号输出2
|
1 方向:+U
B或悬空=顺时针旋转编码值递增
0V=顺时针旋转编码值递减
2 连接到编码器的0V端子,需要时可以使用这个端子将方向信号置为"0V"。
3 仅使用细导线(φ=0.14mm)
电气连接 M23连接器(Conin),12脚/电缆接口SC、BC、BV
|
电缆颜色
|
M23(Conin)
|
信号
|
|
棕色3
|
1
|
0V(电源电压)
|
|
粉色
|
2
|
数据
|
|
黄色
|
3
|
时钟
|
|
白色/绿色
|
4
|
A+
|
|
蓝色
|
5
|
方向1
|
|
红色/蓝色
|
6
|
B+
|
|
棕色/绿色
|
7
|
A-
|
|
白色2
|
8
|
直流5V/10`30V
|
|
灰色/粉色
|
9
|
B-
|
|
灰色
|
10
|
数据
|
|
绿色
|
11
|
时钟
|
|
黑色
|
12
|
感应
|
1 方向:+U
B或悬空=顺时针旋转编码值递增
0V=顺时针旋转编码值递减
2 仅使用细导线(φ=0.14mm)
电气连接 M12连接器,8脚
|
颜色
|
引脚
|
信号
|
|
白色
|
1
|
直流5V/10`30V
|
|
棕色
|
2
|
0V
|
|
|
3
|
N.C.
|
|
绿色
|
4
|
时钟
|
|
粉色
|
5
|
数据
|
|
黄色
|
6
|
时钟
|
|
蓝色
|
7
|
方向1
|
|
灰色
|
8
|
数据
|
1 方向:+U
B或悬空=顺时针旋转编码值递增
0V=顺时针旋转编码值递减
电气连接 M23连接器(Conin),12脚/电缆接口SR、SH
|
引脚
|
颜色
|
信号
|
|
1
|
棕免费下载
|
0V(电源电压)
|
|
2
|
粉色
|
数据
|
|
3
|
黄色
|
时钟
|
|
4
|
白色/绿色
|
-
|
|
5
|
蓝色
|
方向1
|
|
6
|
红色/蓝色
|
-
|
|
7
|
棕色/绿色
|
-
|
|
8
|
白色
|
直流10`30V
|
|
9
|
灰色/粉色
|
-
|
|
10
|
灰色
|
数据
|
|
11
|
绿色
|
时钟
|
|
12
|
红色
|
预设1
|
|
屏蔽
|
屏蔽
|
屏蔽
|
1 预设及方向为高电平有效:
信号电平 :高≥70% Ub;低≤20% Ub或悬空
跳变时间预置:>2秒
跳变时间方向:<1毫秒(动态)
预设值:零
其他值请咨询
连接
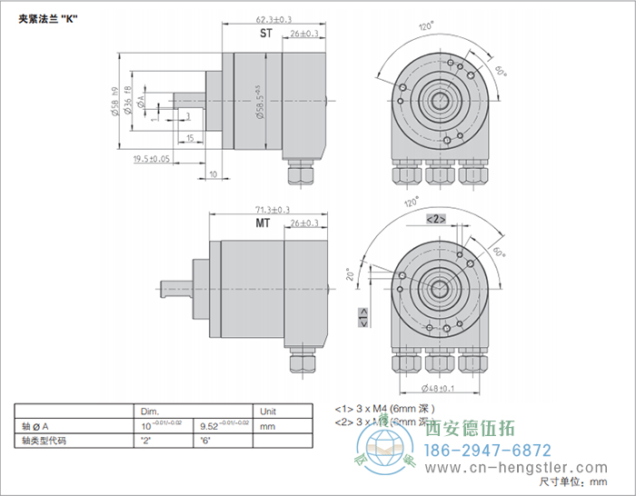
AC58-BiSS/SSI光电绝对值编码器外形及安装尺寸
AC58-BiSS/SSI光电绝对值编码器订货说明
在订货时我们需要确认用户所购买的德国Hengstler(亨士乐)编码器的相关参数,以免给您造成不必要的损失。以下是订货时需要确认的一些参数,以及参数说明,供您参考选型。
|
型号
|
分辨率1,2
|
供电电压3
|
法兰、防护等级、轴径4,8
|
接口5,6
|
连接方式7
|
|
□
|
/□
|
□
|
□
|
□
|
□
|
|
AC 58
|
0010 10 位单圈
0012 12 位单圈
0013 13 位单圈
0014 14 位单圈
0017 17 位单圈
0360 360增量单圈
0720 720增量单圈
1212 12 位单圈
+
12 位单圈
1213 12 位单圈
+
13 位单圈
1214 12 位单圈
+
14 位单圈
1217 12 位单圈
+
17 位单圈
更高分辨率请咨询
|
A 直流5V
E 直流10`30V
|
S.41 同步法兰, IP64, 6 mm
S.71 同步法兰, IP67, 6 mm
K.42 夹紧法兰, IP64 , 10 mm
K.46 夹紧法兰, IP64 , 9.52 mm
K.72 夹紧法兰, IP67 , 10 mm
K.76 夹紧法兰, IP67 , 9.52mm
F.42 弹簧片, IP64 ,空心轴10mm,前夹紧环安装
F.47 弹簧片, IP64 ,空心轴12mm,前夹紧环安装
F.46 带弹簧片的轴套, IP64 ,空心轴9.52mm,前夹紧环安装
Q.42 方形法兰,IP64,10mm
Q.72 方形法兰,IP67,10mm
Q.46 方形法兰,IP64,9.52mm
Q.76 方形法兰,IP67,9.52mm
|
BI BiSS-B
BC BiSS-B
(+SinCos 1Vpp)
SB SSI二进制
SG SSI格雷码
SC SSI格雷码
(+SinCos 1Vpp)
BE BiSS-C
BV BiSS-C
(+Sin-Cos 1Vpp)
SR SSI二进制+高电平预置值有效
SH SSI格雷码+高电平预置值有效
|
A 电缆,轴向
B 电缆,径向
C M23连接器(conin),12脚,轴向,顺时针
D M23连接器(conin),12脚,径向,顺时针
G M23连接器(conin),12脚,轴向,逆时针
H M23连接器(conin),12脚,径向,逆时针
7 M12连接器,8脚,轴向
8 M12连接器,8脚,径向
|
1 分辨率360增量单圈带偏置76(取值范围76`435)
2 分辨率720增量单圈带偏置152(取值范围152`871)
3 直流5V最大电缆长度:10m
4 IP67防护等级的产品不提供预设键和LED指示灯组合
5 报警和/或检验位请咨询
6 SSI接口的格雷码(+SinCos 1Vpp):不适用连接方式7和8(M12)
7 方形法兰的连接方式"7"和"8"(M12)只适用于IP64和10×19.5mm轴
8 只有正确安装匹配的IP67连接器时,外壳及其连接器才能达到指定的防护等级。
粗体字表示优先配置版本
订购信息 电缆长度选择
电缆输出的类型(连接A、B、E、F)可选择以下几种电缆长度,需要订购要求的电缆长度,请增加单独的代码到您的订购代码后面。需要电缆使用不同的连接器,请在其间加入电缆长度代码。可按要求提供更长电缆。
|
代码
|
电缆长度
|
|
无代码
|
1.5m
|
|
-D0
|
3m
|
|
-F0
|
5m
|
|
-K0
|
10m
|
|
-P0
|
15m
|
|
-U0
|
20m
|
|
-V0
|
25m
|
示例:
3米长电缆:...B-D0
3米长电缆末端带M23连接器,顺时针:...B-D0-I
|