RI32-O轻载光电增量式编码器
摘要:德国Hengstler(亨士乐)RI32-O轻载光电增量式编码器可以用来代替型号RIS编码器、RI31编码器。该经济型编码器适用于小型电器,采用滚珠轴承,实现高效,转矩较小。应用范围: 实验室设备,培训设备,折边机,柔性印刷机,小型研磨机。
RI32-O轻载光电增量式编码器|德国Hengstler(亨士乐)
用来代替型号RIS及RI31
该经济型编码器适用于小型电器
采用滚珠轴承,实现高效
转矩较小
应用范围: 实验室设备,培训设备,折边机,柔性印刷机,小型研磨机。
RI32-O轻载光电增量式编码器脉冲数
5 / 10 / 20 / 25 / 30 / 50 / 60 / 100 / 120 / 128 / 200 / 250 / 256 / 288 / 300 / 360 / 400 / 500 / 512 / 600 / 720 / 900 / 1000 / 1024 / 1250 / 1500
应请求可提供其他脉冲数。
RI32-O轻载光电增量式编码器产品规格
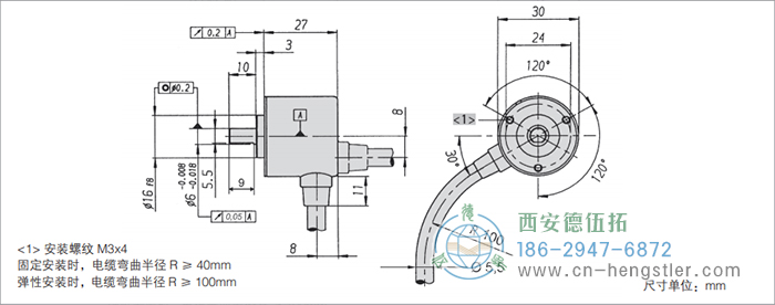
外径:30mm
轴径或孔径:5mm/6mm
脉冲数或分辨率:5~1500
防护等级:IP50
最高转速:6,000 RPM
RI32-O轻载光电增量式编码器机械特性
外径:30mm
轴径:5mm/6mm(实心轴)
最大转速:6000 RPM
RI32-O轻载光电增量式编码器电气特性
电源电压:带推挽(D):DC 5V±10%
带推挽(K):DC 5V±10% 或DC 10~30V
最大空载电流:40mA(DC 5V),60mA(DC 10V),30mA(DC 24V)
RI32-O轻载光电增量式编码器环境特性
轴端防护等级:IP40
外壳防护等级:IP50
工作温度:-10°C~+60°C
储存温度:-25°C~+85°C
RI32-O轻载光电增量式编码器适用行业
工厂自动化
医疗影像
RI32-O轻载光电增量式编码器技术参数
技术数据(机械)
|
外径
|
30mm
|
|
轴径
|
5 mm/6mm
|
法兰
(外壳的安装)
|
引导法兰
|
|
最大轴载
|
10 N(径向)、5 N(轴向)
|
|
绝对最高转速
|
6 000 rpm
|
|
典型启动转矩
|
≤ 0.05 Ncm
|
轴端的防护等级
(EN 60529)
|
IP40
|
外壳的防护等级
(EN 60529)
|
IP50
|
|
工作温度
|
-10℃ ~ +60℃
|
|
存储温度
|
-25℃ ~ +85℃
|
抗振动
(DIN EN 60068-2-6)
|
100 m/s2 (10 ~ 2000 Hz)
|
抗冲击
(DIN EN 60068-2-27)
|
1000 m/s2 (6ms)
|
|
轴的材料
|
铝
|
|
外壳的材料
|
塑料
|
|
重量
|
约 50 g
|
|
连接
|
电缆 , 轴向或径向
|
技术数据(电气)
|
总体设计
|
符合 DIN VDE 0160,防护等级 III, 污染等级 2,过电压等级 II
|
|
电源电压1
|
带推挽 (D):直流 5 V ± 10%
带推挽 (K):直流 5 V 1± 10% 或直流 10V ~ 30V
|
|
典型空载电流
|
60 mA(直流 5V)、60 mA(直流 10V)、35 mA(直流 24 V)
|
|
最大输出频率
|
直流 5V:300kHz 直流 10 ~ 30V:200kHz
|
|
标准
|
推挽 (K):A, B, N,报警
|
|
输出版本2,3
|
推挽,5V,±30 mA (D):A,B,N, 报警
|
|
脉冲宽度误差
|
±25o 电气
|
|
脉冲数
|
5 ~ 1500
|
|
报警输出
|
NPN 集电极开路,最大 5mA
|
|
脉冲形状
|
方波
|
|
脉冲占空比
|
1:1
|
1 推挽 (K) 带极性保护。
2 输出代码“K”带短路保护。
3 输出描述和技术数据参见“技术基础”部分
电气连接 电缆
|
说明(推挽)
|
导线 ømm2
|
颜色
|
|
直流 5V/10V - 30V
|
0.5
|
红色
|
|
通道 A
|
0.14
|
白色
|
|
通道 B
|
0.14
|
绿色
|
|
通道 N
|
0.14
|
黄色
|
|
GND
|
0.5
|
黑色
|
|
报警
|
0.14
|
黄色 / 黑色
|
RI32-O轻载光电增量式编码器订货说明
在订货时我们需要确认用户所购买的德国Hengstler(亨士乐)编码器的相关参数,以免给您造成不必要的损失。以下是订货时需要确认的一些参数,以及参数说明,供您参考选型。
|
型号
|
脉冲数
|
电源电压1
|
法兰,防护等级,轴2,3
|
输出4,5
|
连接
|
|
□
|
□
|
□
|
□
|
□
|
□
|
|
RI32-O
|
5...1500
|
A 直流 5V
E 直流 10V-30V
|
R.11 引导法兰,IP40 5mm
R.14 引导法兰,IP40 6mm
|
K 推挽
D 推挽 5V,±30mA
|
A 轴向电缆
B 径向电缆
|
1 直流 10 ~ 30V:仅对输出 "K" 有效
2 R.11:有平台,见尺寸图
3 R.14 没有平台
4 输出代码 "K":±10 mA(直流 5V),±30 mA(直流 10 ~ 30V)
5 输出代码 "K" 带短路保护
订购信息 可选电缆长度
电缆输出的类型(连接 A, B, E, F)可选择以下几种电缆长度。需要订购要求的电缆长度, 请增加单独的代码到你的订购代码后面。对于电缆末端带不同连接器的情况,请在电缆输 出方向和连接器代码中间增加电缆长度代码。应要求可提供更多的电缆长度。
|
代码
|
电缆长度
|
|
-F0/ 无代码
|
5 m
|
|
-K0
|
10 m
|
|
-P0
|
15 m
|
|
-U0
|
20 m
|
|
-V0
|
25 m
|
示例:
3 米长电缆:...B-D0
3 米长电缆末端带 M23 连接器,顺时针:...B-D0-I
|