
| 型号 | 脉冲数 | 电源电压1 | 法兰,防护等级3,轴4 | 输出2 | 连接 |
|---|---|---|---|---|---|
| □ | □ | □ | □ | □ | □ |
| RI36-H | 5...3600 |
A 直流 5V E 直流 10V-30V |
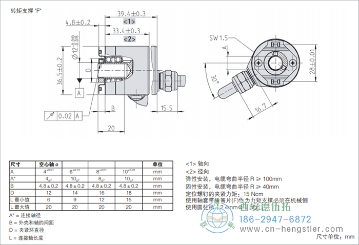
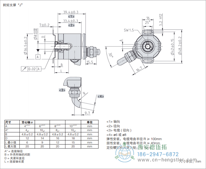
F.30 弹簧片"F"和前夹紧环、IP64、4mm F.31 弹簧片"F"和前夹紧环、IP64、6mm* F.3C 弹簧片"F"和前夹紧环、IP64、8mm* F.32 弹簧片"F"和前夹紧环、IP64、10mm* J.30 弹簧片"F"和前夹紧环、IP64、4mm J.31 弹簧片"F"和前夹紧环、IP64、6mm** J.3C 弹簧片"F"和前夹紧环、IP64、8mm** J.32 弹簧片"F"和前夹紧环、IP64、10mm** |
R RS422+ 报警 T RS422+ 传感 K 推挽 I 推挽互补 |
A 轴向电缆 B 径向电缆 E-I 1米TPE电缆带M23连接器(Conin),顺时针 E-D 1米TPE电缆带M23连接器(Conin),逆时针 |