RMI超薄模块增量编码器
摘要:德国Hengstler(亨士乐)RMI超薄模块增量编码器采用先进的反射式光学原理,与传统对射式相比码盘和ASIC间隙大很多,信号稳定输出。适合机器人关节模组,AGV,医疗等各类微型直驱电机应用领域。
RMI超薄模块增量编码器|德国Hengstler(亨士乐)
先进的反射式光学原理,与传统对射式相比码盘和ASIC间隙大很多,信号稳定输出
无轴承模块化结构,整体安装厚度仅有6mm
码盘孔径,PCB设计等多项参数都可根据需求定制
适合机器人关节模组,AGV,医疗等各类微型直驱电机应用领域
RMI超薄模块增量编码器产品规格
外径:见图纸,可定制其他款式
轴径或孔径:14.5mm,25mm ,30mm,可定制其他款式
脉冲数或分辨率:1024-5760
防护等级:IP00
最高转速:15,000 RPM
RMI超薄模块增量编码器适用行业
伺服电机
医疗影像
RMI超薄模块增量编码器技术参数
技术数据(机械)
|
读头外径
|
见图纸,可定制其他款式
|
|
码盘内孔径
|
14.5mm,25mm ,30mm,可定制其他款式
|
|
安装方式
|
码盘和读头分开单独安装
|
|
码盘与读头间隙
|
芯片到码盘推荐1.6mm
|
|
允许轴向跳动
|
至少±0,25mm
|
|
允许径向跳动
|
至少±0,15 mm
|
|
最高转速
|
取决于输出频率
|
|
码盘材质
|
PC
|
振动
(DIN EN 60068-2-6)
|
100 m/s2 (10 ... 2,000 Hz)
|
冲击
(DIN EN 60068-2-27)
|
1000 m/s2 (6ms)
|
|
运行温度
|
-40℃`+105℃
(电缆输出)
-25℃`+85℃
(JST插头输出)
|
|
存储温度
|
-40℃`+105℃
|
|
湿度
|
95% 无冷凝
|
|
连接方式
|
电缆输出(28 AWG 散线)
JST插座(SM10B-SHLS-TF)
|
技术数据(电气)
|
供电电压
|
DC 5V ± 10% 或 DC 5-30V
|
|
空载消耗电流
|
最大 100 mA
|
|
原理
|
反射式光学
|
|
分辨率
|
见型号列表
|
|
增量信号
|
RS422(R型)/ HTL (I型)/ TTL电压输出(C型)
|
|
最大输出频率
|
样式1、2、4仅支持C型TTL输出,150kHz
样式3支持R、I两种输出,400kHz
|
|
绝对精度
|
取决于安装情况
|
输出电路说明
信号格式
Z=180°, 面对码盘观察,顺时针方向旋转 A超前B
接线图
|
信号描述
|
颜色
|
10 脚JST插座
|
|
Vcc
|
红色
|
1
|
|
A
|
蓝色
|
3
|
|
B
|
绿色
|
5
|
|
Z
|
紫色
|
7
|
|
GND
|
黑色
|
2
|
|
A
|
蓝白
|
4
|
|
B
|
绿白
|
6
|
|
Z
|
紫白
|
8
|
PCB连接器插座
制造商:JST Sales America Inc.
型号:SM10B-SHLS-TF
配套插头型号:SHLP-10V-S-B
配套PIN针型号:SSHL-003GA1-P0.2
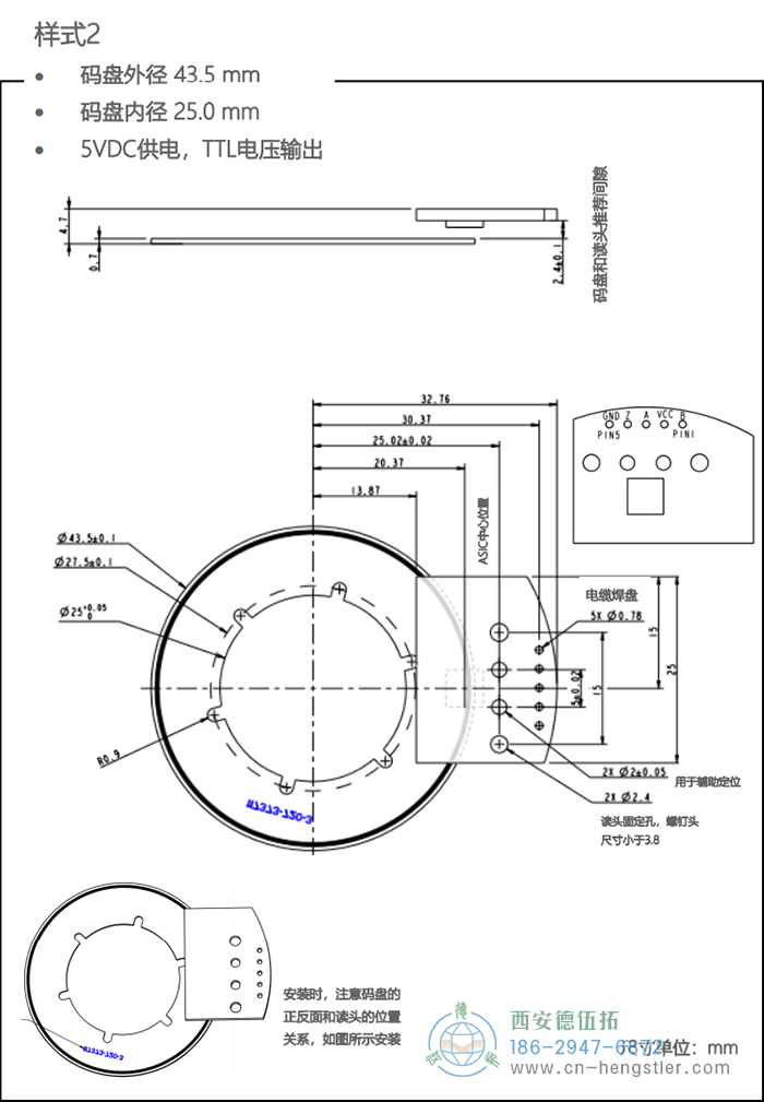
RMI超薄模块增量编码器外形及安装尺寸
码盘座推荐设计
RMI超薄模块增量编码器订货说明
在订货时我们需要确认用户所购买的德国Hengstler(亨士乐)编码器的相关参数,以免给您造成不必要的损失。以下是订货时需要确认的一些参数,以及参数说明,供您参考选型。
|
样式一 订购信息
|
|
RMI1250/0A3915CA0000S03
|
1250PPR,DC5V,TTL电压输出,自行焊接电缆
|
|
RMI2500/0A3915CA0000S03
|
2500PPR,DC5V,TTL电压输出,自行焊接电缆
|
|
RMI5000/0A3915CA0000S03
|
5000PPR,DC5V,TTL电压输出,自行焊接电缆
|
|
样式二 订购信息
|
|
RMI1440/0A4425CA0000S04
|
1440PPR,DC5V,TTL电压输出,自行焊接电缆
|
|
RMI2880/0A4425CA0000S04
|
2880PPR,DC5V,TTL电压输出,自行焊接电缆
|
|
RMI5760/0A4425CA0000S04
|
5760PPR,DC5V,TTL电压输出,自行焊接电缆
|
|
样式三 订购信息
|
|
RMI1440/0A4425RA0300S05
|
1440PPR,5VDC,RS422互补输出,匹配0.3m 电缆
|
|
RMI2880/0A4425RA0300S05
|
2880PPR,5VDC,RS422互补输出,匹配0.3m 电缆
|
|
RMI5760/0A4425RA0300S05
|
5760PPR,5VDC,RS422互补输出,匹配0.3m 电缆
|
|
RMI1440/0B4425IB3000S05
|
1440PPR,10-30VDC,HTL互补输出,匹配3m 电缆
|
|
RMI2880/0B4425IB3000S05
|
2880PPR,10-30VDC,HTL互补输出,匹配3m 电缆
|
|
RMI5760/0B4425IB3000S05
|
5760PPR,10-30VDC,HTL互补输出,匹配3m 电缆
|
|
样式四 订购信息
|
|
RMI2160/0A7030CB0000S06
|
2160PPR,5VDC,匹配0.3m 电缆
|