增量式
亨士乐编码器的四种输出信号原理及其特点
通常,从亨士乐编码器的光电检测元件得到的信号电平微弱,波形不规则,因此不能直接用于信号的控制、处理、长距离传输。编码器等信号。处理后的输出信号一般类似于正弦波或矩形波,而矩形波的输出信号易于数字处理,因此在控制系统中被广泛使用。
光电增量编码器的信号输出有开路集电极输出、电压输出、线驱动输出、推挽输出等各种信号形态。
	集电极开路输出
集电极开路输出是将输出电路的晶体管的发射极作为共同端子,将集电极浮动的输出电路。根据使用的晶体管种类,可分为NPN开路集电极输出(也称为漏极输出,逻辑1时,输出电压为0V,如图1-1所示)和PNP开路集电极输出(也称为漏极输出)。源极输出,逻辑1时,输出电压如图1-2所示为电源电压)2种形式。此类型的输出电路可在Hengstler编码器的电源电压与信号接收设备的电压不一致的情况下使用。

图1-1

图1-2
PNP型开路集电极输出编码器信号时,可与集电极型输入模块连接。具体的布线原理如图1-3所示。
注。PNP型开路集电极输出的编码器信号不能直接连接到源极输入模块。

图1-3
开路集电极NPN输出编码器信号时,可连接到源极输入模块。具体的布线原理如图1-4所示。
注。NPN型开路集电极输出的编码器信号不能直接连接到集电极型输入模块。

图1-4
	电压输出型
电压输出以开路集电极输出电路为基础,如图所示,在电源和集电极之间连接上拉电阻,可以稳定集电极和电源之间的电压状态。1-5.这种类型的输出电路通常在Hengstler编码器的电源电压和信号接收设备的电压相同的情况下使用。

图1-5
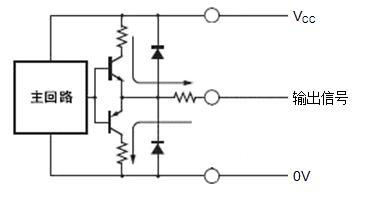
	推挽输出
推挽输出模式如图1-6所示,分别由PNP型和NPN型两种晶体管构成。当一个晶体管导通时,另一个晶体管断开,两个输出晶体管交替工作。
此格式的输出还可以提供低阻抗的宽功率范围,因为输入阻抗高,输出阻抗低。另外,由于输入信号和输出信号同相,频率范围宽,因此也适用于长距离传输。
推挽输出电路可直接与NPN及PNP开路集电极输入电路连接。也就是说,您可以连接到源或宿输入模块。

图1-6
	线性驱动器输出
如图1-7所示,线性驱动器的输出接口采用专用IC芯片。输出信号符合RS-422标准,差动输出。因此,线性驱动器的输出信号具有更强的抗干扰性。大容量,可在远程数据传输时快速、长期应用,具有响应速度快、抗噪声性能高的特点。

图1-7
Hengstler四种编码器输出及其原理和特性使工程师能够综合考虑最佳功耗、可靠的通信、适当的连接距离和足够的抗噪能力来选择最适合应用程序的设备。
了解更多编码器相关知识,敬请关注亨士乐编码器国内正规授权代理西安德伍拓自动化传动系统有限公司网站。公司技术团队为您免费提供
Hengstler编码器的选型、安装、调试、保养等技术指导服务,尽量避免企业因为编码器技术人员的短缺带来的损失,采取“线上+线下”服务的服务形式,帮助企业解决技术难题。